Mechanical Transition Connectors up to 52 kV

Description

Description

Description

Material:
Connector Body: high strength aluminum alloy
Bolts: brass, tin-plated, with inner and outer hexagon or aluminum alloy

Surface:
Connector Body: tin-plated

Centering:
center rings or inserts are enclosed for centric conductor positioning

Connectors filled with compound and sealed in plastic.

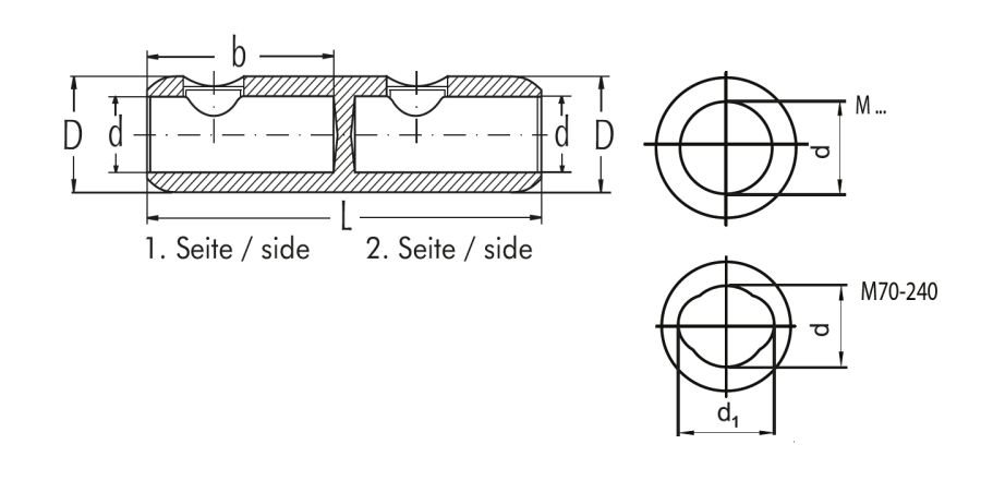
Dimensions MTC

Technical data MTC

Technical instructions and application information (mechanical connectors and cable lugs)

The data given were determined diligently, but do not release our customers of the duty to carry out tests themselves in order to check the suitability of the products delivered by us for the intended use. We reserve the right to modify characteristic and performance data according to the present state of technology. Processing and use of the products cannot be controlled by us and are therefore exclusively in your field of responsibility.

Our products meet the VDE standards respectively correspond to DIN pages and IEC recommendations. Attention: Before first design in please contact manufacturer.

The products, described in this catalogue, are designed for connection of energy cable conductors (Class 1 & 2) with description of round solid (RE), round stranded (RM), as well as sector solid (SE), sector stranded (SM) and round stranded compacted (RMV) exclusively on
bare conductors and for conductor temperatures up to 90 °C. All conductor filling materials like tapes, yarn, powder or similar need to be completely removed before mounting.

The conductor standard DIN EN 60228 does not define binding cable dimensions. Despite of all carefulness of the manufacturer, general application capability of GPH® compression products for EN conductors cannot be assured. A check on basis of the actual existing conductor dimensions by the user is indispensable. This applies also for the application of flexible conductors (Class 5 & 6).

For the use of flexible copper conductors (Class 5) with the M/C series, an additional bolt set WS … CU-FLEX has to be used. By using the D series, cross-sections given in the selection table can be clamped with or without contact sleeve. A check on basis of the actual existing conductor dimensions by the user is indispensable. This applies also for the application of Class 6 conductors or other special conductors.

Impact wrenches have to be approved by Nexans! Depending on different conductor material or conductor type, indicated values may differ from test values acc. to IEC 61238-1. The use of fine stranded conductors has to be approved by Nexans Power Accessories Germany GmbH.

Our responsibilities are only those listed in the latest edition of “General terms and conditions for the supply of products and services of the electrical and electronics industry”. We only use packaging materials able to be recycled due to the latest regulation on packaging. Sales packaging are not taken back.

Reprinting, even partial, only with special allowance. We reserve the right to alter or modify the characteristics described. Illustrations and drawings may only show a close reflection and are not decisive. Weights are approximate values including the carton package. This catalogue substitutes all former editions. Types or versions not part of this catalogue are available on request.

Hof, May 2021

Resources

Resources

Related products

Mechanical conductor connectors
Mechanical conductor connectors
Mechanical conductor connectors

Contact us

Topics on which you wish to get more informations:

Required fields*

Please check your entry and try again.

An email address must contain a single @

Personal data protector

You have the right to object to the processing of your personal data and/or their use for direct marketing or commercial purposes

Thank you!

Thanks for contacting us. We will be in touch with you shortly.

Error

An error occurred. Please try again.

Close

Contact us

Required fields*

Please check your entry and try again.

An email address must contain a single @

Personal data protector

You have the right to object to the processing of your personal data and/or their use for direct marketing or commercial purposes

Thank you!

Thanks for contacting us. We will be in touch with you shortly.

Error

An error occurred. Please try again.

Close