Teplem smrštitelná přímá spojka SVMS/SVMS-P

Popis

Popis

Deskripce

Použití
Teplem smrštitelná přímá spojka SVMS/SVMS-P se používá pro spojování čtyřžilových a pětižilových polymerem izolovaných kabelů s koncentrickým vodičem a izolací z PVC nebo XLPE a rovněž vnějšími plášti z PVC nebo PE. Spojky jsou určeny pro mechanické konektory měděných či hliníkových vodičů. Utěsnění těchto teplem smrštitelných spojek umožňuje vnitřní i venkovní použití.

Technické vlastnosti
Vnitřní a vnější teplem smrštitelné trubice jsou silnostěnné, koextrudované a přilnavé. Konstrukce spojek a rozměry trubice odpovídají normě DIN V 47640. Pro použití SVMS-P s parkovací polohou mechanických kontaktů na vodičích je nutný konektor bez přepážky.

Specifikace a normy
Teplem smrštitelné trubice splňují požadavky normy IEC 60684-247. Rozměry mechanických konektorů, které byly testovány podle normy IEC 61238-1-A nebo VDE 0220 část 100, odpovídají normě DIN V 47640.

Kompletní teplem smrštitelná spojka SVMS/SVMS-P splňuje požadavky CENELEC EN 50393.

Rozložení SVMS/SVMS-P

Obsah sady SVMS/SVMS-P

Teplem smrštitelné přímé spojky se skládají z následujících komponent:

4 (5) x vnitřní spojka
1 x vrchní ochranná trubice
4 (5) x mechanický konektor s přepážkou / bez přepážky
montážní návod

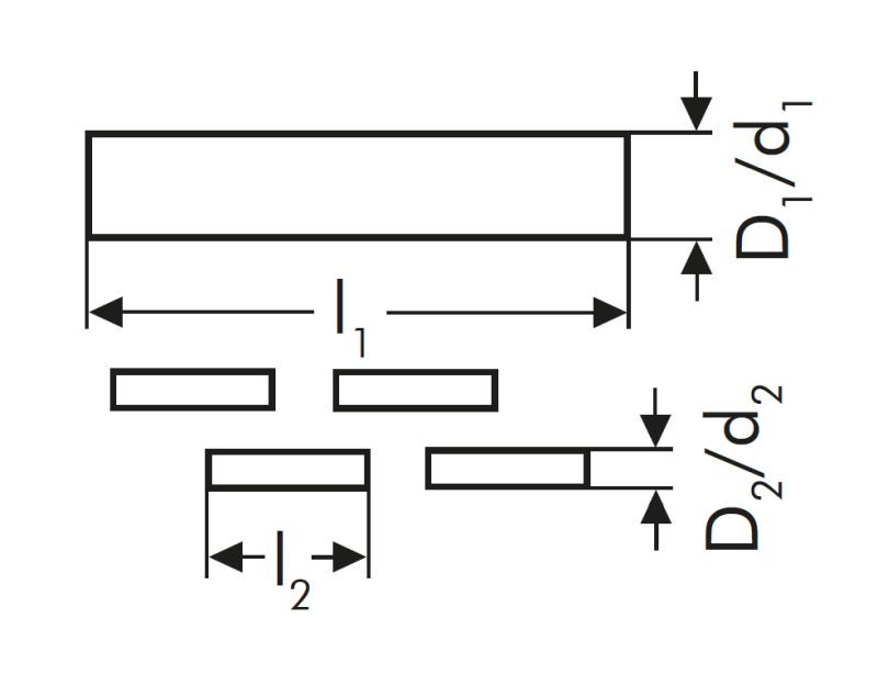
Výběrová tabulka SVMS/SVMS-P (bez parkovací polohy)

Výběrová tabulka SVMS/SVMS-P (s parkovací polohou)

Pokyny k objednávání SVMS/SVMS-P

Objednací číslo dílu typu spojky zvolte dle typu kabelu a průřezu vodiče.

Příklad objednávky
Teplem smrštitelná přímá spojka pro čtyřžilový kabel s plastovou izolací bez parkovací polohy,
jmenovité napětí 0,6/1 kV, průřez vodiče 35–150 mm²
Číslo dílu: 53186

1) Pouze pro kabely s PVC izolací dle normy DIN VDE 0276-603.

Piktogramy SVMS/SVMS-P

Technické pokyny a informace o použití (příslušenství)

Uvedené údaje byly pečlivě určeny, ale nezbavují naše zákazníky povinnosti provést vlastní zkoušky za účelem ověření vhodnosti námi dodaných výrobků pro zamýšlené použití. Vyhrazujeme si právo upravit údaje o vlastnostech a výkonu podle současného stavu technologií. Zpracování a používání výrobků nemůžeme kontrolovat, a proto za ně odpovídáte výhradně vy.

Naše výrobky splňují normy VDE, resp. odpovídají stránkám DIN a doporučením IEC.

Pozor: Před prvním návrhem kontaktujte výrobce.

Výrobky popsané v tomto katalogu jsou určeny k propojování holých jader energetických kabelů (třída 1 a 2) s popisem kulaté plné (RE), kulaté laněné (RM), sektorové plné (SE), sektorové laněné (SM) a kulaté laněné komprimované (RMV) pro teploty vodičů do 90 °C. Všechny výplňové materiály vodičů, jako jsou pásky, příze, prášek apod., je třeba před montáží zcela odstranit. Je nezbytné, aby uživatel provedl kontrolu na základě skutečných rozměrů existujících vodičů. To platí i pro použití vodičů třídy 6 nebo jiných speciálních typů vodičů.

Rázové utahováky musí být schváleny společností Nexans! V závislosti na různých materiálech a typech vodiče se mohou uvedené hodnoty lišit od testovaných hodnot dle IEC 61238-1. Použití jemně laněných vodičů musí být schváleno společností Nexans Power Accessories Germany GmbH.

Naše povinnosti jsou pouze ty, které jsou uvedeny v posledním vydání „Všeobecných podmínek pro dodávku výrobků a služeb elektrotechnického a elektronického průmyslu“. Na vyžádání můžeme poskytnout kopii.

Naše výrobky jsou dodávány převážně v kartonových krabicích. Používáme pouze obalové materiály, které je možné recyklovat vzhledem k nejnovějšímu obalovému systému. Skládací kartonové krabice nepřebíráme zpět. Snažte se objednávat kompletní standardní balení.

Přetisk, a to i částečný, je možný pouze se zvláštním povolením. Vyhrazujeme si právo na změnu nebo úpravu popsaných vlastností. Ilustrace a výkresy mohou představovat pouze přibližný odraz a nejsou rozhodující. Hmotnosti jsou přibližné hodnoty zahrnující kartonový obal. Tento katalog nahrazuje všechna předchozí vydání. Typy nebo verze, které nejsou součástí katalogu, jsou k dispozici na vyžádání.

Hof, květen 2021

Zdroje

Zdroje

Kontaktujte nás

Témata, o kterých si přejete získat více informací:

Požadovaná pole*

Zkontrolujte prosím svůj údaj a zkuste to znovu

E-mailová adresa musí obsahovat jediný znak @

Ochránce osobních údajů

Máte právo vznést námitku proti zpracování svých osobních údajů a/nebo jejich použití pro přímý marketing nebo komerční účely

Děkujeme vám!

Děkujeme, že jste nás kontaktovali. Brzy se s vámi spojíme.

Chyba

Došlo k chybě. Zkuste prosím aggain.

Zavřít

Kontaktujte nás

Požadovaná pole*

Zkontrolujte prosím svůj údaj a zkuste to znovu

E-mailová adresa musí obsahovat jediný znak @

Ochránce osobních údajů

Máte právo vznést námitku proti zpracování svých osobních údajů a/nebo jejich použití pro přímý marketing nebo komerční účely

Děkujeme vám!

Děkujeme, že jste nás kontaktovali. Brzy se s vámi spojíme.

Chyba

Došlo k chybě. Zkuste prosím aggain.

Zavřít